Example Submission - 2 String Inverters with ESS without DC to DC converters
The intent of this Article is to walk a new installer through how to input the below example project into SolarAPP+.

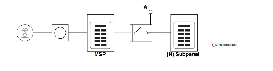
You can expand the image above by downloading the image or opening the image in a new tab as shown below:














What you should see at the end of your application once the system is checked:

The recommendations provided here are intended for informational purposes only and are offered in good faith based on the available information of the example above. It is the responsibility of a qualified person with the skills and knowledge to ensure full compliance with local codes and standards.