What is the busbar quantity? A breakdown.
Application Question:

What is a busbar?
A busbar is a thick, conductive metal strip (copper or aluminum) inside an electrical panel that acts as a central hub to collect and distribute power from the main service to various circuit breakers for a building's circuits.
This is what one looks like in the field:

This is what one looks like on plans:

For the purpose of this application, you'll count and describe the ones located in the proposed solar energy system. Essentially, count any box on the plans that includes circuit breakers for building loads, any box that combines circuit breakers for microinverters or AC modules, or any box that combines multiple sources that isn't a backup initiation device.
This would include, but not be limited to:
- Service Panel
- A battery-backed-up subpanel
- A non-backed-up subpanel
- A combiner panel for inverters (common for microinverters and AC Modules)
- A combiner panel for batteries
- A backup initiation device with building load breakers
Let's look at some examples:
Example: 1 Busbar - Service Panel Upgrade
Example: 1 Busbar - Service Panel
Example: 2 Busbars - Service Panel and Battery-backed-up subpanel
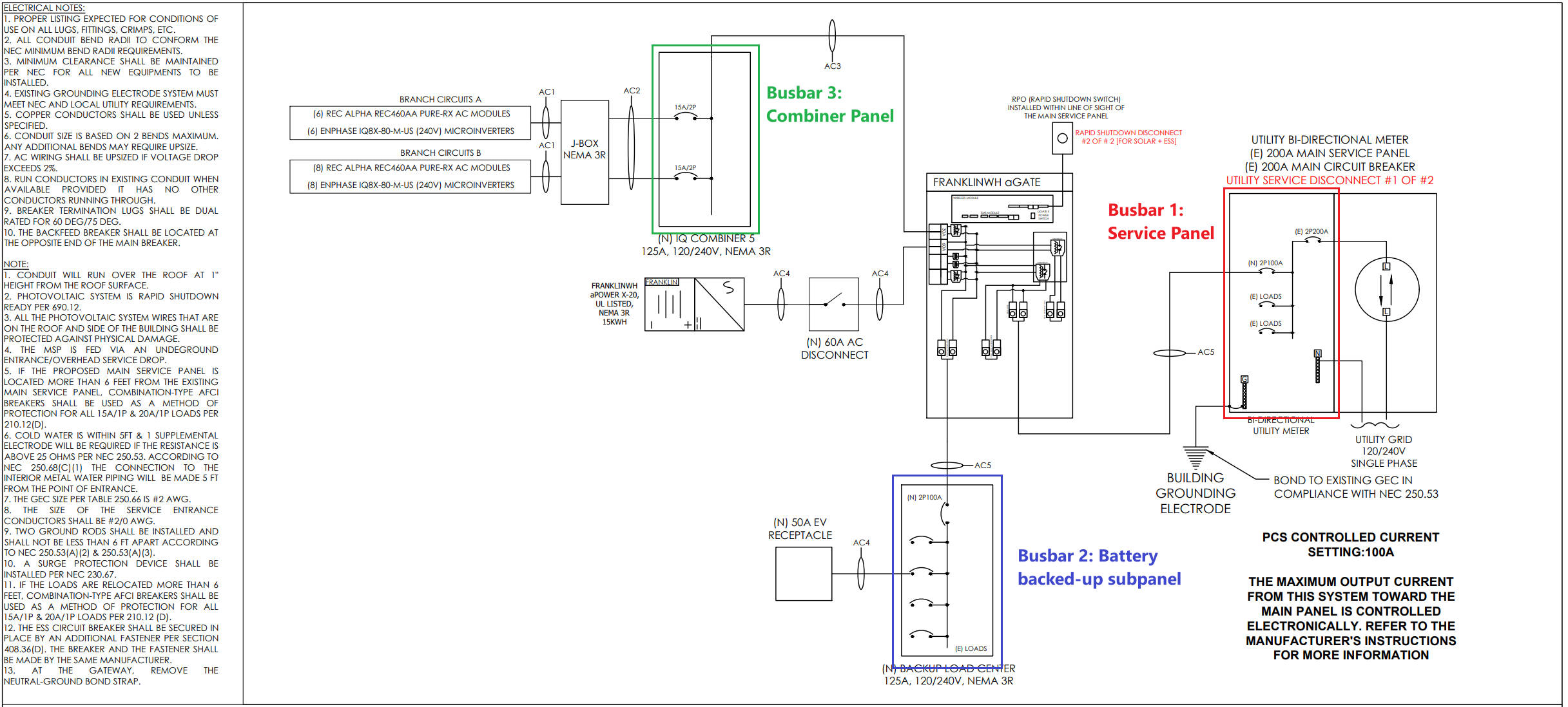
Example: 3 Busbars - Service Panel, Battery backed-up subpanel, and a combiner panel.
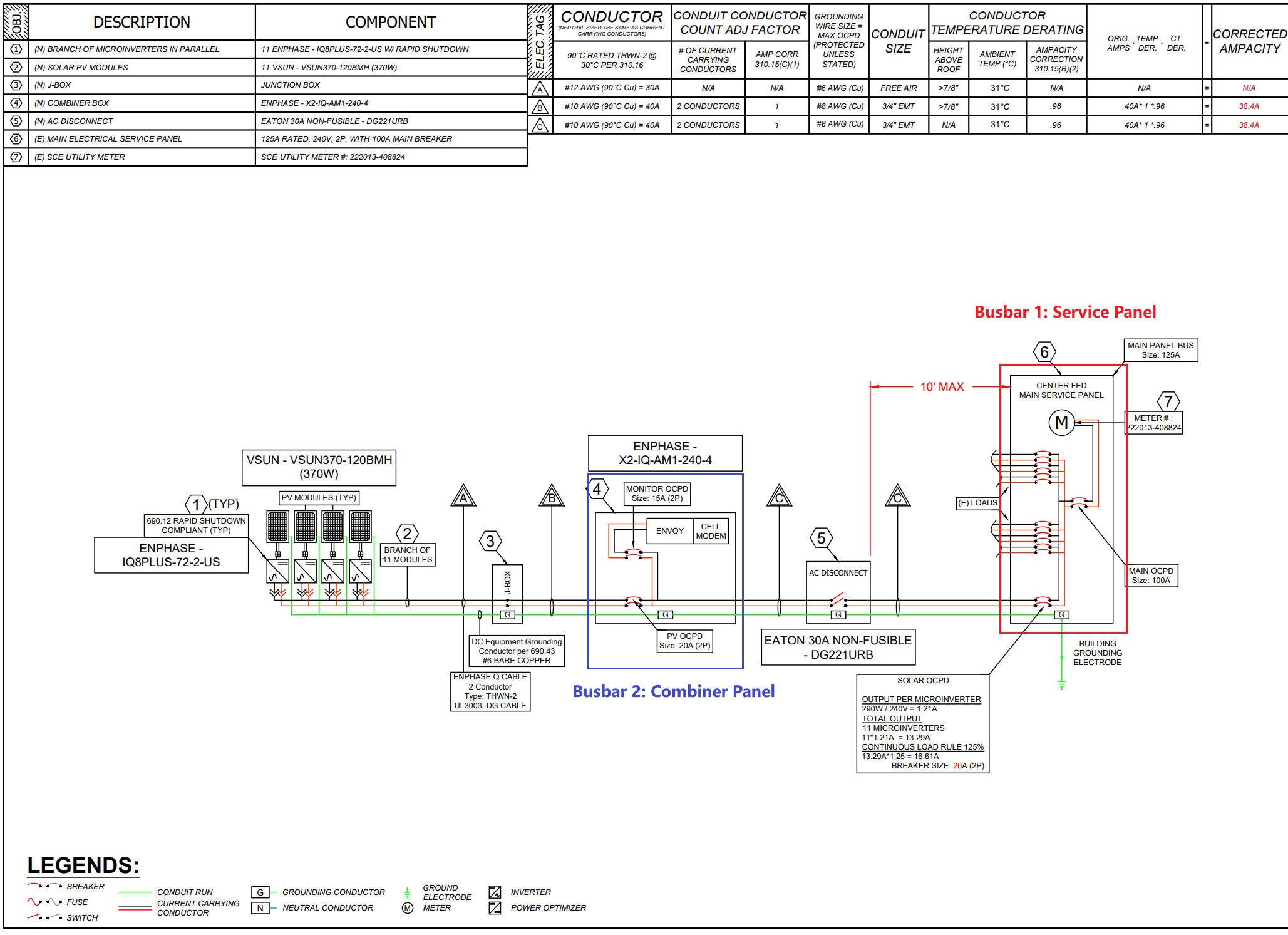
Example: 2 Busbars - Service Panel and a combiner panel.
Example: 1 Busbar - Service Panel Upgrade

Here is how you would detail example 1 in the tool.



Example: 1 Busbar - Service Panel




Example: 2 Busbars - Service Panel and Battery-backed-up subpanel







Example: 3 Busbars - Service Panel, Battery-backed-up subpanel, and a combiner panel.









Example: 2 Busbars - Service Panel and a combiner panel.




